Základní deska PC

Pamě? RAM
Dynamická pamě? RAM je zaloena na fyzikálním principu nabíjení kondenzátoru. Takto vzniklý potenciál, který je ekvivalentní napětí, odpovídá logické 0 nebo 1. Jeliko vlivem svodů (svodový odpor) je tento potenciál vybíjen, je nutno tuto operaci v pamě?ové buňce obnovovat (refresh). Obnova probíhá tak, e jsou paralelně sejmuty obsahy pamě?ových buněk na řádku, v budiči zesíleny a opět zapsány na původní místo. Rychlost obnovy pamě?ových míst je několik setkrát za sekundu. Obnovu provádí speciální obvod DMA (Data Memory Acces), který toto provádí bez součinnosti procesoru a to přímým přístupem do paměti. Tyto paměti jsou levnějí ne statické. V současné době se pouívají dva typy SIMM a SIPP. Přístupová doba SIMM 60-70ns. Starí 30pinové konektory dnes nahradily 72pinové.
Hardwarová pamě? CACHE
Tyto paměti jsou umístěny na základní desce PC mezi procesorem a hlavní pamětí. Jsou klasifikovány jako CACHE druhé úrovně. Vyrovnávají rozdíly v rychlosti mezi procesorem a hlavní pamětí. Základní filozofie je zaloena na rychlém přístupu k datům. Předpokládá se, e data, která potřeboval v minulém cyklu, bude vyuívat i v následujícím čase. Podle tohoto předpokladu jsou data do paměti CACHE přemís?ována (načítána). O jejich pohybu v paměti CACHE jsou vedeny informace v řadiči CACHE. Tato filozofie předpokládá asi 90 % úspěných zásahů v CACHE.
Jsou vytvořeny ze statických polovodičových pamětí SRAM s přístupovou dobou 20 a 25 ms.
Princip: jednotlivé pamě?ové buňky bývají uspořádány do matice, jejich výběr je prováděn přes řádkové a sloupcové vodiče. Pamě? je tvořena klopným obvodem se dvěma stavy. Přes výběr řádků je zapsaná informace připojena na datové vodiče. Adresace pamě?ové matice je zaji?ována přes dekodér řádku a dekodér sloupců. Data jsou v budících obvodech a přivedená na datovou sběrnici. Součet řádkových a sloupcových vodičů udává ířku adresového slova. Není nutná obnova informace jako u DRAM.
Sběrnice
BUS je komunikační standard, dohoda o tom, jak vyrobit desky, které budou pracovat ve standardním PC. Je to cesta pro přenos informací uvnitř systému. Sběrnicové systémy se vyvíjejí na základě zvětování výkonu mikroprocesoru.
Sloty:
PC-BUS - 8bitový, 4,77 MHz
ISA - 16bitový, 8 MHz, nevýhody ISA: malá odolnost proti umu, spoutí se hranou impulzu, konfiguruje se DIP přepínači.
VL-BUS - 32bitový, 30 MHz, je kompatibilní s ISA - slot VLB můe současně slouit jako slot ISA
PCI - nejnovějí
BIOS
ROM BIOS je uloen v pevné paměti ROM počítače. Je to mnoina obsluných programů nezbytných pro jeho činnost. Řídí jednotlivá základní přídavná zařízení počítače (monitor, klávesnice atd.) zabezpečuje dalí činnosti (údrba data, času - tyto informace se uchovávají pomocí baterie, umístěné na zákl. desce ).
Je tvořen třemi základními částmi:
1. Test počítače při zapnutí - testují se základní přídavná zařízení a pamě? RAM počítače; provedení tohoto testu je jedním z hlavních důvodů, proč se po zapnutí počítače objeví hláení operačního systému s určitým zpoděním.
2. Program pro zahájení práce zaváděcího programu (zavaděč systému) - tento program zkontroluje, zda se na disku, z něho je operační systém zaváděn, je uloen zavaděč systému. Je-li tam, zavede se do RAM a předá se mu řízení.
3. Základní rutiny pro obsluhu standardních zařízení počítače (pevný a pruný disk, sériové rozhraní, klávesnice).
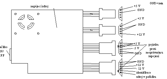
Napájení PC

Údaje o zdroji:
5 V - 7 A - proudová zátě
12 V - 2 A
-5 V - 0,3 A
-12 V - 0,3 A
Tyto údaje jsou uvedeny pro zdroj 65 W.
| Vstupní ss napětí | Rozliovací úroveň podpětí | Rozliovací úroveň přepětí |
| + 5 V | + 4,0 V | + 5,9 V |
| - 5 V | - 4,0 V | - 5,9 V |
| + 12 V | + 9,6 V | + 14,2 V |
| - 12 V | - 9,6 V | - 14,2 V |
+ 5 V - napájí systémovou desku a periferie
+ 12 V - napájí periferie (disk, disketová jednotka)
- 5 V - pro paměti DRAM
- 12 V - zesilovače LAN
Napájecí zdroje jsou stejnosměrné, jsou to spínané zdroje pro trvalý provoz od 65 do 230 W. Do zdroje vede proudový přívod, zdroj vysílá zpětná hláení na systémovou desku a ventilátor chladí celý systém. Jednotlivé výstupy jsou zabezpečeny proti přepětí nadproudů, otevřenému proudovému obvodu a zkratů. Nastane-li přetíení nebo přepětí, ss výstupy jsou odpojeny po celou dobu trvání tohoto neádoucího stavu. Sí?ový konektor pro systémovou desku má zámek proti přetočení. Kolík 1 má speciální funkci - napětí v pořádku, signál se generuje při zapnutí počítače a udává, e napájecí napětí dosahují nastavených hodnot. Kdy vechna 4 převyují minimální úroveň, má hodnotu 1 a kdy je jedno napětí mimo z nastavených hodnot, má signál hodnotu 0. Zdroje jsou také v provedení UPS.
Související odkazy
http://www.fi.muni.cz/usr/pelikan/ARCHIT/TEXTY/MAINB.HTML